Ưu nhược điểm mạch công suất class H Trên Cục Đẩy, Amply

Mạch công suất Class H cũng là một trong những bộ mạch được sử dụng phổ biến trong các thiết bị như Amply, cục đẩy công suất karaoke,... Vậy mạch Class H là gì? Ưu nhược điểm mạch công suất class H trên cục đẩy, Amply karaoke ra sao?

    Xem nhanh

Cùng HDRadio khám phá những đặc điểm cũng như tính năng nổi trội của mạch class H nhé! 

 

1. Mạch Class H là gì?

Mạch Class H là mạch công suất có khả năng điều chỉnh điện áp một cách tự động để giảm thiểu sự sụt điện áp trên cổng đầu ra, giúp giảm méo tiếng một cách tối đa và cung cấp nguồn điện áp vô hạn cho các thiết bị như amply và cục đẩy karaoke cao cấp.

 Xem thêm:  TOP 06+ mẫu đẩy JKaudio xử dụng mạch công suất Class H Siêu Bền.

 

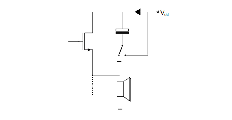
2. Nguyên lý hoạt động của mạch class H.


Sơ đồ mạch công suất class H

Hình 1

Chúng ta có thể hình dung nguyên lý hoạt động của mạch class H thông qua sơ đồ như sau: 

  • Khi cấp nguồn điện cho mạch class H mà điện áp đầu ra thấp, công tắc trong bộ mạch sẽ ở vị trí như hình 1. Khi tín hiệu đạt đến cực đại, công tắc năng mặt dưới của elco lên nguồn điện sao cho bóng bán dẫn đầu ra phía trên nhìn thấy điện áp khoảng 2V
  • Thời gian tín hiệu chỉ cho phép trong một khoảng nhất định không quá lâu 
  • Khi tín hiệu đầu vào thấp thì mạch Class H sẽ khuếch đại cho tín hiệu có biên độ lớn hơn chứ không làm méo biên độ, do đó khi cấp tín hiệu âm thanh thì vẫn đảm bảo được tín hiệu âm thanh đầu ra, được khuếch đại lên mà không bị méo tiếng. 
  • Mạch class H có 5 đường dây nguồn, mạch class H sẽ xử lý tùy theo đường tín hiệu đầu vào sao cho phù hợp để cho ra tín hiệu ra loa.

 

3. Ưu nhược điểm của mạch class H.

 

 

Ưu điểm: 

  • Hiệu suất lớn: Mạch Class H có hiệu suất lớn nên các thiết bị âm thanh sử dụng mạch công suất class H thường có công suất lớn, ít sinh nhiệt trong quá trình sử dụng, từ đó có thể tiết kiệm điện năng. Cũng bởi vậy mà mạch class H thường được sử dụng cho các hệ thống âm thanh lớn, thiết bị công suất cao như các dàn âm thanh hội trường, sân khấu, karaoke,... 
  • Mạch Class H có 2 tầng linh kiện công suất, khi tín hiệu nhỏ linh kiện ngoài ngắt, máy chạy áp thấp tiêu tốn ít điện, khi tín hiệu có biên độ lớn hơn thì linh kiện ngoài được kích dẫn nâng áp lên để đảm bảo tin hiệu không bị ảnh hưởng. 
  • Chất âm thanh của mạch class H khá tốt, rõ ràng, chân thực 
  • Sử dụng mạch lớp H, với hiệu suất chuyển đổi điện năng rất cao, công suất đầu ra mạnh mẽ, tiêu thụ điện năng thấp, thân thiện với môi trường.
  • Độ bền cao.

Nhược điểm: 

         Bên cạnh những ưu điểm nổi trội thì mạch class H cũng tồn tại một số điểm hạn chế sau:

  • Sẽ rất khó sửa khi có hỏng hóc hay trục trặc vì nên sử dụng sản phẩm chính hãng.
  • Độ méo lớn hơn và tốn gấp đôi linh kiện công suất cùng với 2 bộ nguồn

 

4. Những mẫu Cục Đẩy sử dụng mạch công suất Class H bán chạy.

[code_product_1]

 

5. So sánh mạch Class D và Class H

Với những ưu nhược điểm của 2 loại mạch Class D và Class H thì ta có thể thấy: Mạch class D là mạch hay nhất hiện nay, chiếm nhiều ưu thế. Bởi chúng vừa có chất lượng âm thanh cực tốt, nhiệt độ toả ra rất thấp, hiệu suất chuyển đổi công suất cao. Vì vậy mạch class D cũng là mạch được sử dụng phổ biến nhất hiện nay.

 

Trên đây là một số thông tin về mạch công suất class H mà HDRadio muốn cung cấp đến bạn, chúng tôi hi vọng qua bài viết này, các bạn sẽ có thêm kiến thức trong việc lựa chọn mạch công suất cũng như nhiều thiết bị điện tử khác. Đến ngay showroom của HDRadio trên toàn quốc để tham khảo thêm nhiều mẫu đẩy Amply và nhiều sản phẩm khác với giá tốt, chính hãng. 

Đánh giá Ưu nhược điểm mạch công suất class H Trên Cục Đẩy, Amply

Chọn đánh giá của bạn:
Hệ thống đang xử lý, vui lòng chờ trong giây lát!.