Đánh giá chi tiết những đặc điểm nổi bật của Power Amply McIntosh MI347
Power Amply McIntosh MI347 là bộ khuếch đại kỹ thuật số chuyên dụng phù hợp với các hệ thống âm thanh chiếu phim gia đình sử dụng bộ khuếch đại chuyển mạch kỹ thuật số vòng kín rất tinh vi được ghép nối với nguồn điện cực kỳ mạnh mẽ để tạo ra mức hiệu suất âm thanh hiếm khi nghe thấy trong rạp hát gia đình cùng với đó là những ưu điểm nổi bật như: thiết kế tối giản tinh tế, hệ thống 7 kênh, công suất 3 kênh phía trước: 250W ở 8Ohms và 300W ở 4Ohms, công suất 4 kênh âm thanh vòm: 125W ở 8Ohms và 200W ở 4Ohms, hệ thống tản nhiệt tiên tiến không sử dụng quạt gió, tính năng tự động bật tắt thông minh, trang bị công nghệ công nghệ Power Guard bảo vệ loa, tích hợp Sentry Monitor, kết nối đa dạng linh hoạt, có thể lắp vào giá đỡ 3U bằng tai gắn đi kèm thuận tiện cho việc lắp đặt đảm bảo sẽ mang lại trải nghiệm âm thanh đắm chìm, chân thực, sống động ngay tại chỗ ngồi của bạn trong không gian thoải mái tại nhà của bạn.

>>>CẬP NHẬT NGAY: Bảng giá amply McIntoshchính hãng đang được bán tại HDRadio
Thiết kế tối giản tinh tế
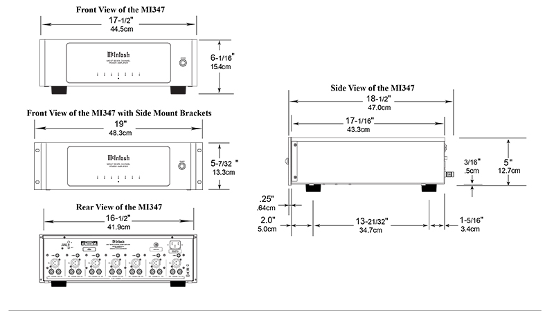
McIntosh MI347 vẫn mang thiết kế truyền thống của McIntosh với những nét đặc trưng riêng của thương hiệu như thân kim loại chắc chắn được bổ trợ sự vững chắc từ chân đế chống trượt, mặt kính đen phía trước với logo thương hiệu màu xanh lá phát sáng ấn tượng đặc trưng trên mọi sản phẩm của McIntosh được làm nổi bật với viền kim loại bắt mắt.Ngoài ra, Power Amply McIntosh MI347 cũng có những nét riêng như thay vì đồng hồ hiển thị công suất và núm xoay như các sản phẩm cùng loại MI347 lại sở hữu mặt trước là hệ thống hiển thị đèn LED hiển thị trạng thái của từng kênh hiện đại và nút bật tắt thiết bị và phía trên là hệ thống làm mát không sử dụng quạt gió tất cả gói gọn trong một kích thước 44,45cm (48,3cm với tai gắn) x 15,4cm (bao gồm chân) x 53,3cm (bao gồm mặt trước và dây cáp) (W x H x D) và trọng lượng 14,8 kg rất thuận lợi cho việc vận chuyển và lắp đặt.

Có thể lắp vào giá đỡ 3U
Power Amply McIntosh MI347 đi kèm trong hộp là phần tai gắn để lắp đặt vào giá đỡ 3U giúp tiết kiệm diện tích.Tai gắn được thiết kế và hoàn thiện với độ chắc chắn cao đảm bảo sự an toàn khi lắp sản phẩm và có thể dễ dàng tháo rời khi bạn để sản phẩm trên bàn hay kệ tủ.

Công suất mạnh mẽ
McIntosh MI347 có thể mang lại công suất 3 kênh trước lên tới 300W với mức trở kháng 4Ohms và vẫn có thể duy trì ở mức 250W ở mức trở kháng 8Ohms.Thêm vào đó, 4 kênh âm thanh vòm của sản phẩm này cũng sở hữu mức công suất ấn tượng với 200W ở mức trở kháng 4Ohms và 125W với mức trở kháng 8Ohms.Với công suất đầy mạnh mẽ, Power Amply McIntosh MC347 đảm bảo sẽ mang lại âm thanh chân thật, sống động đưa bạn đắm chìm vào không gian giải trí đỉnh cao.

Hệ thống tản nhiệt tiên tiến không sử dụng quạt gió
Khác với các thiết bị điện tử thông thường, McIntosh MI347 sử dụng một hệ thống tản nhiệt không cần sử dụng quạt gió được các chuyên gia của McIntosh dày công nghiên cứu và phát triển qua nhiều năng mang lại thành quả là hệ thống làm mát hiệu quả trên Power Amply McIntosh MI347 giúp thiết bị này hoạt động mượt mà, hạn chế được tình trạng nóng lên đồng thời với việc không sử dụng quạt gió cũng giảm thiểu được tiếng ồn làm ảnh hưởng tới chất lượng âm thanh đầu ra và không gian giải trí của bạn.

Tính năng tự động bật tắt thông minh
Power Amply McIntosh MI347 trang bị tính năng tự động bật tắt thông minh giúp bạn có thể tiết kiệm điện và tiện lợi khi sử dụng.Tính năng này hoạt động với cơ chế sẽ tự động tắt thiết bị nếu không phát hiện thấy tín hiệu đầu vào nào trong một khoảng thời gian nhất định và tự động bật MI347 khi nó cảm nhận được tín hiệu từ các thiết bị mà bạn kết nối trong hệ thống âm thanh của bạn.

Trang bị công nghệ Power Guard bảo vệ loa
McIntosh MI347 sẽ đảm bảo an toàn cho mọi dàn loa kết nối với sản phẩm này bằng công nghệ Power Guard là bộ mạch được phát triển nhằm giám sát tín hiệu âm thanh và giúp bảo vệ loa của người dùng khỏi tình trạng “clipping”.Công nghệ này được tích hợp trên một bảng mạch so sánh dạng sóng, có thể liên tục theo dõi tín hiệu đầu ra và so sánh chúng với tín hiệu đầu vào. Nếu có sự biến dạng tín hiệu xảy ra, mạch “Power Guard” sẽ giảm mức tín hiệu đầu vào cho đến khi hiện tượng biến dạng được giải quyết. Độ gain của MI347 sau đó sẽ khôi phục. Toàn bộ quá trình của các mạch “Power Guard” chỉ diễn ra trong một phần giây, khiến cho người dùng cũng không thể nhận ra được, đảm bảo được âm thanh luôn “sạch” ở mức công suất tối đa.

Tích hợp Sentry Monitor
Power Amply McIntosh MI347 được tích hợp sẵn bên trong là mạch Sentry Monitor hay còn được gọi mà “cầu chì ảo” với khả năng đảm bảo nguồn điện luôn ổn định và ngăn chặn sự cố đoản mạch bằng cách theo dõi thời gian hoạt động, điện áp và dòng điện của mỗi mạch đầu ra của bộ khuếch đại, đồng thời kiểm soát dòng điện một cách chặt chẽ. Khi sự cố xảy ra, mạch “cầu chì ảo” sẽ tự động ngắt nguồn để bảo vệ MI347 khỏi các hiện tượng dòng điện tăng đột ngột. Khi dòng điện trở lại bình thường, McIntosh MI347 sẽ tự động khởi động trở lại.

Kết nối đa dạng linh hoạt
McIntosh MI347 có thể kết nối đa dạng nhiều loại thiết bị âm thanh đảm bảo sẽ phù hợp với mọi hệ thống âm thanh đồng thời sản phẩm này cũng cho thấy sự đa nhiệm và linh hoạt khi có thể kết nối cùng lúc nhiều thiết bị khác nhau thông qua các cổng kết nối có sẵn trên thiết bị bao gồm:
- 7 cổng vào Balanced
- 7 cổng vào Unbalanced
- 7 cọc công suất amply (gồm 7 cặp cổng ra)


Ứng dụng thực tế
Bạn hoàn toàn có thể sử dụng Power Amply McIntosh MI347 với khả năng khuếch đại với hệ thống âm thanh sở hữu amply có khả năng xử lý âm thanh và hệ thống loa để mang lại trải nghiệm âm thanh tốt nhất.Đặc biệt, với những khách hàng yêu thích thương hiệu McIntosh có thể kết hợp MI347 với các mẫu MX123, MX180 hoặc MX100 và MI254, MI128 sẽ có thể mang lại cho bạn âm thanh vòm Dolby Atmos hoặc DTS: X.

Mua Power Amply McIntosh MI347 chính hãng ở đâu
Power Amply McIntosh MI347 sẽ là một sự nâng cấp hoàn hảo cho hệ thống âm thanh của bạn với những ưu điểm ấn tượng bao gồm: thiết kế tối giản tinh tế, hệ thống 7 kênh, công suất 3 kênh phía trước: 250W ở 8Ohms và 300W ở 4Ohms, công suất 4 kênh âm thanh vòm: 125W ở 8Ohms và 200W ở 4Ohms, hệ thống tản nhiệt tiên tiến không sử dụng quạt gió, tính năng tự động bật tắt thông minh, trang bị công nghệ công nghệ Power Guard bảo vệ loa, tích hợp Sentry Monitor, kết nối đa dạng linh hoạt, có thể lắp vào giá đỡ 3U bằng tai gắn đi kèm đảm bảo sẽ làm hài lòng mọi người dùng với hiệu quả và chất lượng sản phẩm này mang lại.

Để mang ngay Power Amply McIntosh MI347 chính hãng về nhà với mức giá rẻ cùng với đó là những ưu đãi đặc biệt bạn có thể đặt hàng qua website hoặc đến trải nghiệm miễn phí và mua hàng trực tiếp tại các SHOWROOM HDRadio trên toàn quốc.
Đánh giá Power Amply McIntosh MI347
Xem thêm đánh giá khác